トップページ > 住まい・まちづくり > 道路 > 道路環境 > 編道路構造物設計基準 > 第2編 道路構造物構造図(画像ファイル)

印刷

更新日:2009年7月23日

ページID:22403

ここから本文です。

第2編 道路構造物構造図(画像ファイル)

図面目次(1/2)

  工 種 種別 図面名 図面番号
     

コンクリート製品一覧表(JPG:97KB)

0-0-1(JPG:97KB)

コンクリート製品一覧表(PDF:49KB)

0-0-2(PDF:49KB)
1

歩車道境界工

縁石 A型(セミフラット形式・一般部)(JPG:42KB) 1-1-1(JPG:42KB)
B型(マウンドアップ形式・一般部)(JPG:40KB) 1-1-2(JPG:40KB)
C型(背面が植樹帯等の場合)(JPG:40KB) 1-1-3(JPG:40KB)
D型(フラット形式・一般部)(JPG:42KB) 1-1-4(JPG:42KB)
E型,F型,H型,I型(歩道切下げ部、車両出入口部)(PDF:60KB) 1-2-1(PDF:60KB)
P-A1型(セミフラット形式・交差点、横断歩道)(JPG:54KB) 1-3-1(JPG:54KB)
P-A2型(セミフラット形式・交差点、横断歩道)(JPG:54KB) 1-3-2(JPG:54KB)
P-A1型(マウンドアップ形式・交差点、横断歩道)(JPG:54KB) 1-3-3(JPG:54KB)
P-A2型(マウンドアップ形式・交差点、横断歩道)(JPG:55KB) 1-3-4(JPG:55KB)
P-B1型(マウンドアップ形式・車道出入口部)(JPG:55KB) 1-3-5(JPG:55KB)
P-B2型(マウンドアップ形式・車道出入口部)(JPG:56KB) 1-3-6(JPG:56KB)
P-C1型(マウンドアップ形式・歩道幅員の狭い場合)(JPG:60KB) 1-3-7(JPG:60KB)
P-C2型(マウンドアップ形式・歩道幅員の狭い場合)(JPG:63KB) 1-3-8(JPG:63KB)
P-UD1型(マウンドアップ形式・車両出入口部)(PDF:49KB) 1-3-9(PDF:49KB)
P-UD2型(マウンドアップ形式・車両出入口部)(PDF:49KB) 1-3-10(PDF:49KB)
街渠 A型B型C型(A.B交通の場合)(JPG:52KB) 1-4-1(JPG:52KB)
A型B型C型(C交通の場合)(JPG:52KB) 1-4-2(JPG:52KB)
A型B型C型(D交通の場合)(JPG:52KB) 1-4-3(JPG:52KB)
特殊エプロン PGF515型(A,B交通の場合)(JPG:58KB) 1-5-1(JPG:58KB)
PGF520型(C交通の場合)(JPG:59KB) 1-5-2(JPG:59KB)
PGF525型(D交通の場合)(JPG:59KB) 1-5-3(JPG:59KB)
2 境 界 工 境界 Q型(車道出入口部)(中央分離帯切下げ部)(JPG:32KB) 2-1-1(JPG:32KB)
官民境界 官民境界A型B型(JPG:47KB) 2-2-1(JPG:47KB)
3 植樹帯工 植樹帯根固め 植樹帯根固めブロック(JPG:40KB) 3-1-1(JPG:40KB)
4 コンクリートブロック舗装工 歩道舗装 歩道舗装 一般部・乗入部(JPG:52KB) 4-1-1(JPG:52KB)
点字ブロック 視覚障害者誘導用ブロック(一般部)(PDF:71KB) 4-2-1(PDF:71KB)
視覚障害者誘導用ブロック(車両乗入部)(JPG:329KB) 4-2-2(JPG:329KB)
5 排 水 工 管渠 P1型90°固定基礎(JPG:73KB) 5-1-1(JPG:73KB)
P2型180°固定基礎(JPG:74KB) 5-1-2(JPG:74KB)
P3型360°固定基礎(φ200~500)(JPG:78KB) 5-1-3(JPG:78KB)
P4型360°固定基礎(φ600~1000)(JPG:58KB) 5-1-4(JPG:58KB)
側溝(片側車道) 側溝U-1型、U-2型(JPG:55KB) 5-2-1(JPG:55KB)
側溝U-3型、U-4型(JPG:59KB) 5-2-2(JPG:59KB)
側溝(両側車道) 側溝U-5型、U-6型(JPG:59KB) 5-2-3(JPG:59KB)
側溝U-7型(JPG:36KB) 5-2-4(JPG:36KB)
側溝U-8型(JPG:62KB) 5-2-5(JPG:62KB)
側溝U-9型(JPG:65KB) 5-2-6(JPG:65KB)
側溝U-10型、U-11型(JPG:72KB) 5-2-7(JPG:72KB)
側溝(車道) 側溝L-1型、L-2型(JPG:56KB) 5-2-8(JPG:56KB)
側溝L-3型、L-4型(JPG:61KB) 5-2-9(JPG:61KB)
側溝L-5型、L-6型(JPG:65KB) 5-2-10(JPG:65KB)
側溝(歩道) 側溝L-7型(JPG:48KB) 5-2-11(JPG:48KB)
側溝L-8型(JPG:52KB) 5-2-12(JPG:52KB)
側溝L-9型(JPG:56KB) 5-2-13(JPG:56KB)
側溝 側溝PU-1型(JPG:339KB) 5-2-14(JPG:339KB)
側溝PU-2型(JPG:347KB) 5-2-15(JPG:347KB)
側溝PU-3型(JPG:347KB) 5-2-16(JPG:347KB)
側溝蓋 コンクリート蓋(車道部、歩道部)(JPG:42KB) 5-3-1(JPG:42KB)
フロアプレート(車道部、歩道部)(JPG:57KB) 5-3-2(JPG:57KB)
プレキャスト鉄筋コンクリート蓋(車道部、歩道部)(JPG:331KB) 5-3-3(JPG:331KB)
プレキャスト鉄筋コンクリート蓋(車道部、歩道部)(JPG:295KB) 5-3-4(JPG:295KB)
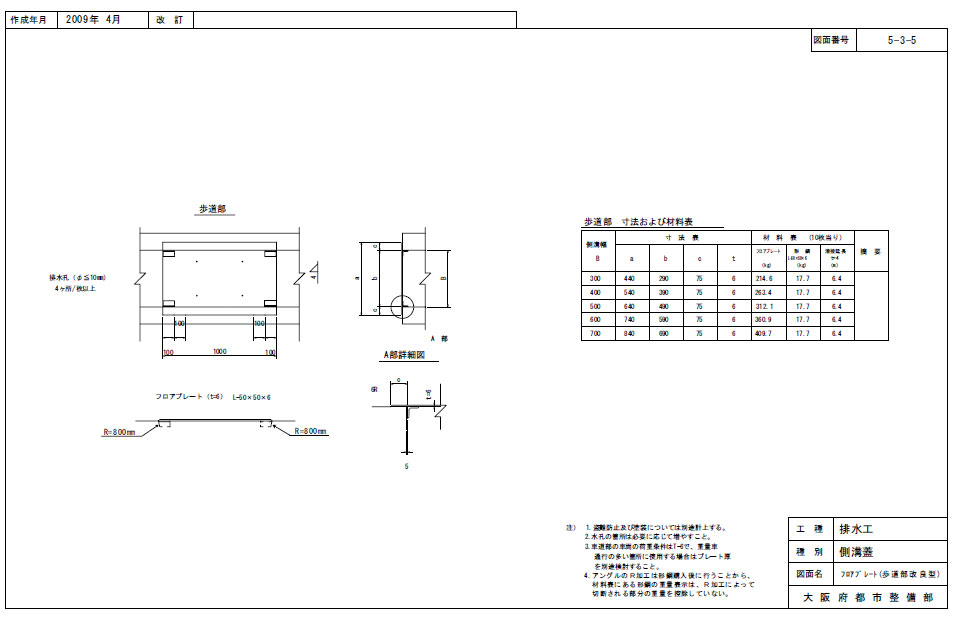
フロアプレート(歩道部改良型)(JPG:62KB) 5-3-5(JPG:62KB)
U型水路 U型水路(JPG:60KB) 5-4-1(JPG:60KB)
U型水路材料表(JPG:43KB) 5-4-2(JPG:43KB)
集水桝 集水桝A型(JPG:54KB) 5-5-1(JPG:54KB)
集水桝B-1型(JPG:76KB) 5-5-2(JPG:76KB)
集水桝B-1型材料表(JPG:84KB) 5-5-3(JPG:84KB)
集水桝B-2型(JPG:78KB) 5-5-4(JPG:78KB)

図面目次(2/2)

  工 種 種別 図面名 図面番号
5 排 水 工 集水桝 集水桝B-2型材料表(その1)(JPG:87KB) 5-5-5(JPG:87KB)
集水桝B-2型材料表(その2)(JPG:86KB) 5-5-6(JPG:86KB)
集水桝B-2型材料表(その3)(JPG:87KB) 5-5-7(JPG:87KB)
集水桝C型(JPG:55KB) 5-5-8(JPG:55KB)
集水桝蓋 フロアプレート(歩道部)(JPG:38KB) 5-6-1(JPG:38KB)
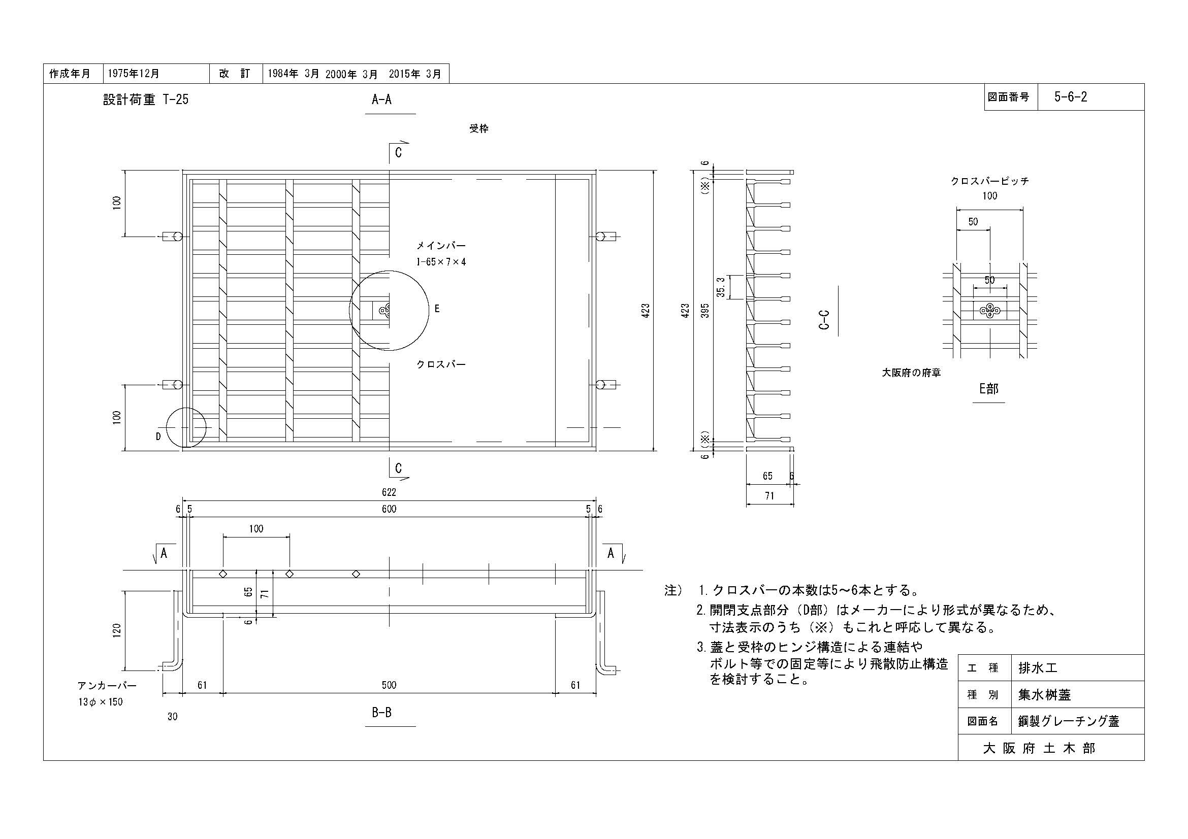
鋼製グレーチング蓋(JPG:219KB) 5-6-2(JPG:219KB)
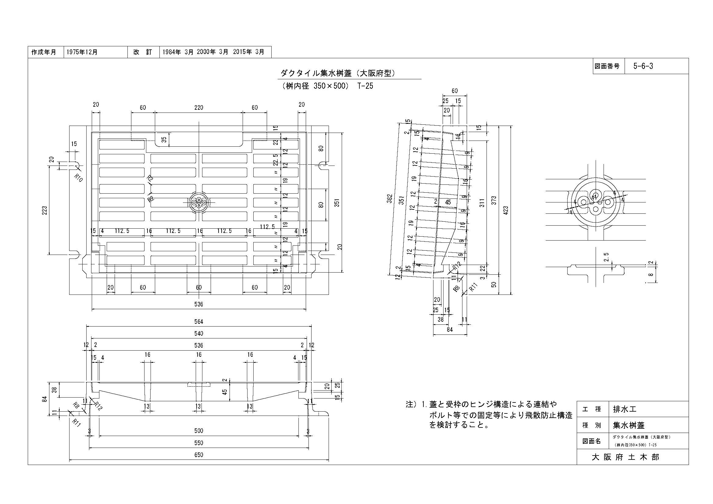
ダクタイル鋳鉄蓋(大阪府型)(JPG:260KB) 5-6-3(JPG:260KB)
6 土 留 工 車道部(RW) H=1000(JPG:68KB) 6-1-1(JPG:68KB)
重力式コンクリート擁壁 RW1,2,3,4材料表(JPG:62KB) 6-1-2(JPG:62KB)
H=1500(JPG:69KB) 6-1-3(JPG:69KB)
RW5,6,7,8材料表(JPG:87KB) 6-1-4(JPG:87KB)
H=2000(JPG:65KB) 6-1-5(JPG:65KB)
RW9,10,11材料表(JPG:71KB) 6-1-6(JPG:71KB)
H=2500(JPG:63KB) 6-1-7(JPG:63KB)
RW12,13材料表(JPG:54KB) 6-1-8(JPG:54KB)
RW14材料表(JPG:88KB) 6-1-9(JPG:88KB)
H=3000(JPG:60KB) 6-1-10(JPG:60KB)
RW15,16材料表(JPG:66KB) 6-1-11(JPG:66KB)
RW17材料表(JPG:109KB) 6-1-12(JPG:109KB)
歩道部(PW) H=1000(JPG:71KB) 6-2-1(JPG:71KB)
重力式コンクリート擁壁 PW1,2,3,4材料表(JPG:63KB) 6-2-2(JPG:63KB)
H=1500(JPG:62KB) 6-2-3(JPG:62KB)
PW5,6,7材料表(JPG:69KB) 6-2-4(JPG:69KB)
H=2000(JPG:63KB) 6-2-5(JPG:63KB)
PW8,9,10材料表(JPG:71KB) 6-2-6(JPG:71KB)
H=2500(JPG:55KB) 6-2-7(JPG:55KB)
PW11,12材料表(JPG:53KB) 6-2-8(JPG:53KB)
H=3000(JPG:60KB) 6-2-9(JPG:60KB)
PW13,14,15材料表(JPG:88KB) 6-2-10(JPG:88KB)
PW16材料表(JPG:108KB) 6-2-11(JPG:108KB)
7 ブロック積工 ブロック積 練積(JPG:80KB) 7-1-1(JPG:80KB)
8 車止め工 車止め 車止め(馬蹄形)(JPG:30KB) 8-1-1(JPG:30KB)
車止め(単柱)(JPG:28KB) 8-1-2(JPG:28KB)

より良いウェブサイトにするためにみなさまのご意見をお聞かせください

このページの情報は役に立ちましたか?

このページの情報は見つけやすかったですか?